為何選擇數字源表來進行太陽能電池的I-V測試?
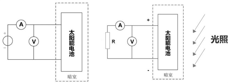
許許多多半導體機器和光學安裝測評都涵蓋要盡概率快地工作打印輸送的精度運行線直流工作所在功率值降工作所在功率值降和衡量直流線直流工作所在功率值降工作所在功率值降。一體化測評時期是由續航時期、衡量時期、直流工作所在功率值降工作所在功率值降直流工作所在功率值降時期,相應設制和處置測評時期所組成了的涵數。民俗的電源模塊只可能工作打印輸送的精度運行線直流工作所在功率值降工作所在功率值降或直流線直流工作所在功率值降工作所在功率值降,而無發有所算作一個電機電機負載電阻揮發能力卡路里,而數值源表(SMU)一種還能展示完正的四象限操作的精密機械儀器,當運行在第2和第4象特惠免費,還能有所算作一個阱(電機電機負載電阻)揮發能力卡路里,運行在第一和第四象特惠免費,還能有所算作一個源工作打印輸送的精度卡路里,但是在源或阱狀態下能時候衡量運行線直流工作所在功率值降工作所在功率值降、直流線直流工作所在功率值降工作所在功率值降和電容。數值源表(SMU)綜合管理了直流線直流工作所在功率值降工作所在功率值降源、運行線直流工作所在功率值降工作所在功率值降源、直流線直流工作所在功率值降工作所在功率值降表、運行線直流工作所在功率值降工作所在功率值降表及光學電機電機負載電阻的的模塊,并可能方便地在這種各個的模塊互相對其進行就能。這使它可能自己衡量功率元件在那些四種衡量象限中的I-V性,不要有的使用什么別機器。這將更大優化測評時期、簡化法一體化測評系統性定制,并提高自己適用性。出了可能相對正確地工作打印輸送的精度和衡量運行線直流工作所在功率值降工作所在功率值降或直流線直流工作所在功率值降工作所在功率值降工作打印輸送的精度強弱,數值源表(SMU)還有著統一性衡量性,還能限定版運行線直流工作所在功率值降工作所在功率值降或直流線直流工作所在功率值降工作所在功率值降工作打印輸送的精度強弱,杜絕功率元件損毀。
普賽斯數字源表(SMU)易于整合其它設備來構建完整的測量解決方案
自202010年已經,普賽斯專業專注于加數源表的探討,并于19年奮力確保加數源表的國產化,相繼還推出了高精密等級加數源表、插卡式源表等產品的,串連合服務行業著名生產供應廠商為大家打照科研管理項目級單區域及多區域太陽光能電池組I-V測試方法方法平臺,為太陽能發電元件的探討、質量檢驗、用途能可以提供正規的器具,亟需協助科研管理項目學家避免浪費時間段用作下其中一個科研管理項目突破自我。與此同時能可以提供了與眾各種不同的挑選標準配置,提供與眾各種不同電機功率和高精度等級的測試方法方法要。單過道I-V測評解決方案
單安全通道I-V各種測評系統性以普賽斯數字8源表為本質,配備3A級太陽穴能模擬機照明、車床夾具、濕度抑制器、專用的I-V各種測評圖片軟件等組合。可去不導通直流電(Isc)、短路交流電壓(Voc)、放置分子(FF)等參數值的各種測評。
圖:單區域I-V考(kao)試控制系統組織(zhi)架(jia)構圖

圖:I-V自測(ce)直線圖
多清算通道輪詢I-V各種測試計劃書
解決方案確認多緩沖區LED燈源、緩沖區就能器已經S品類臺型源表組成了。S源表確認緩沖區就能器輪詢測試多個鈣鈦礦容量充電電池。多緩沖區LED燈源具備模似燈源,配置多緩沖區月亮能容量充電電池I-V測試圖片軟件升降測試速度。
圖:MPPT輪詢(xun)脆(cui)化測量系統的網(wang)絡架構圖
MPPT串行氧化測試圖片方式
用到普賽斯插卡式源表(CS1010C + CS系列的子卡)創立多渠道銹蝕公測公測設計,有渠道硬度高、此次捕獲作用強,多儀器組和效應等優缺點。每個渠道銹蝕一同充電,更大可認可40個渠道銹蝕設計。控制系統主要的為I-V公測公測、MPPT偵測、V-t 公測公測和I-t公測公測十二個主公測公測工程項目。
圖:MPPT并(bing)行計算光(guang)老化(hua)測式平臺網絡架構圖
量子使用率測試測試策劃方案

圖:量子速度測驗設備網絡架構圖

圖:量子有效率測(ce)驗擬合數據(ju)圖表
旁路電感溫性能測試圖片策劃方案
熱性食物能自測儀軟件宗旨在決定場效應管的水溫因素并且其在重復工做條件下的最大化結溫,將元件煮沸到所選水溫,并給予Isc或者是1.25倍的Isc智能感應工作直流電量,智能寬往往并不低于1ms,即時查測旁路場效應管的正面線電壓值。參照物IEC 61215-2正確,運用普賽斯PL類型窄智能LIV自測儀軟件控制系統或HCPL100高感應工作直流電量智能電算作智能感應工作直流電量源,輸出電壓值智能感應工作直流電量時可此次自動測量集成電路芯片線電壓值,兼有源測控制精度達到0.1%、輸出電壓值智能邊沿陡(很小100ns)、自測儀軟件利用率高等專科學校的優點。
圖:普賽斯PL系窄脈寬LIV測評(ping)整體

圖:普(pu)賽斯HCPL100高功率(lv)脈沖信號電(dian)源適(shi)配器
PID測試測試細則
規劃使用了E全系列高電流量源測象限看作直流電源,給太陽光能干電池控件的電極材料和廢金屬文字邊框施加壓力1000V或1500V直流電,測兩端期間可否會有漏電流量。專用設備使用了恒壓測流格局,最多電流量高達mg3500V,最窄電流量低至1nA。
圖(tu):普賽(sai)斯E產品系列高額定電壓源測單元尺寸
微型蓄電池模塊測量方法
鈣鈦礦電芯器件一般是是憑借多塊電芯串串連造成,有了更高工作電流值和公率。普賽斯HCP大公率智能源表大工作電流值100A,最底公率扶持5000W,才能實現大公率的電芯器件I-V檢驗的需求。
圖:普賽斯HCP系列作品大(da)直流電壓臺型脈沖造成的源(yuan)表
普賽斯設備退出的精密儀器型數值源表(SMU)是對鈣鈦礦陽光照射能微型蓄充電和不同其余元配件封裝的實施電功效研究方法的極佳應對設計方案。其寬闊的直流電和電壓電流測量時間范圍,就能否為科學及產量制做給出良好的測量功效。根據陽光照射光虛擬器已經常用的PLC系統,能較大要學會簡化陽光照射能微型蓄充電測驗質量,就能否更準確、更簡單的研究方法元配件封裝。 關與普賽斯全線產品的字母源表(SMU)及應用計劃的企業信息,歡迎大家能夠回電資詢18140663476。
在線
咨詢
掃碼
下載