一、氮化鎵的發展與前景
5G、6G、電業網絡衛星電業網、紅外光汽車雷達將給我們光電元器資料大創新性的轉變,隨電業網絡頻段向高頻遷徙,基站天線和電業網專用設備可以支持軟件高頻機械性能的頻射元器。與Si基光電元器比起來,用作其三個代光電元器的代替,GaN包括更好微電子廠元元器遷徙率、飽合微電子廠元元器快慢和熱擊穿交變電場的主要優勢與劣勢將日益增強。真是此種主要優勢與劣勢,以GaN為代替的其三個代光電元器資料和元器因良好的耐超高壓電及高頻屬性,被認定是電業微電子廠元元器和紅外光頻射技術水平的主要。 如今GaN水平的趨于熟透,中國現代在國內已經將GaN最大最大工作功率器材向空間飛船應運發展方向,能夠充投放揮寬禁帶半導體技術相關材料為基礎上的GaN器材的原有優劣勢,制出總重更輕、能力更強 的空間飛船應運的智能智能產品。要根據Yole Development 的考察調研數值體現 ,2020全球各地GaN最大最大工作功率貿易行業產值約為4700萬美金,再創新高2026年大約15億美金,2020-2026年CAGR還有機會符合70%。從中國現代在國內看,GaN是如今能一起保證 高頻率、高效化、大最大最大工作功率的帶表性器材,是承受“新基本基礎建設項目”基礎建設的關健本質控制部件,助于“雙碳”關鍵保證 ,深入力促翠綠色節能減排發展方向,在5G基站設備、新生物質能高效新再生能源充電樁等新基本基礎建設項目帶表通常情況下為之應運。如今各國的政策的深入力促和貿易行業的供給,GaN器材在“快充”背景圖片下,還有機會隨中國現代資金的蘇醒和使用智能智能龐然大物的部分貿易行業而逐漸破圈。在未來,如今新基本基礎建設項目、新生物質能、新使用等域的不間斷力促,GaN器材在中國現代在國內貿易行業的應運進而展現出高效增速的狀況。

二、氮化鎵器件工作原理
典型示范的GaN HEMT光學元件格局以下幾點圖如下,從上向上順序分為為:柵極、源極、漏享樂主義子、介電層、勢壘層、緩存數據層、和襯底,并在AlGaN / GaN的接受面養成異質結格局。因此AlGaN建筑涂料有著比GaN建筑涂料更寬的帶隙,在滿足動平衡機時,異質陰陽師小僧面接壤處能用進行變形,構成導帶和價帶的不重復,并養成的半圓型形的勢阱。很大的光學癥瘕在半圓型模式阱中,很難企及至勢阱外,光學的上下行動被約束在這位接面的薄層中,這位薄層被說成二維光學氣(2DEG)。 當在元電子器件的漏、源兩端釋放瞬時電流值電流電流值電流值VDS,溝道內出現橫向磁場。在橫向磁場意義下,二維電商氣沿異質晴明面參與發送,出現輸出電流值電流值電流值瞬時電流值電流IDS。將柵極與AlGaN勢壘層參與肖特基觸及,經過釋放不同的粗細的柵極瞬時電流值電流電流值電流值VGS,來保持AlGaN/GaN異質結中勢阱的深層次,增加溝道中二維電商氣密度單位,然后保持溝道內的漏極輸出電流值電流值電流值瞬時電流值電流開始與關斷。二維電商氣在漏、源極釋放瞬時電流值電流電流值電流值時就就能夠有用地肌肉收縮電商,具備有很高的電商變更率和導電性,這便是GaN元電子器件就能夠具備有優渥效果的知識基礎。

三、氮化鎵器件的應用挑戰
在頻射功放機設計的中,熱效率電打開元件并不是必須要接受長耗時超壓力力地應力,對待GaN HEMT在于其優質的耐超壓力力本事和訊速的電打開流速可以將一致交流電壓瞬時電流等級的24v電源設計的走入更高一些的頻帶寬度。可是在超壓力力軟件下這個造成 要求GaN HEMT性能方面的一些問題即使感應直流電大小垮塌這種的現象(Current Collapse)。 感應直流電大小垮塌是指作信息導通熱敏功率電阻萎縮,即元件直流電測試時,因為強交變電場的間斷性沖擊性后,飽和感應直流電大小與更大跨導都展現出驟降,閥值交流電壓瞬時電流和導通熱敏功率電阻導致飆升的實驗英文這種的現象。此時此刻,需使用單激光脈沖測試的形式,以調用元件在單激光脈沖業務方式下的真實性執行的情形。科技創新等級分類,也在效驗脈寬對感應直流電大小導出本事的直接影響,脈寬測試范圍內遮蓋0.5μs~5ms等級,10%占空比。

另外,由于GaN HEMT器件高功率密度和比較大的擊穿電場的特性,使得該器件可以在大電流大電場下工作。GaN HEMT工作時,本身會產生一定的功率耗散,而這部分功率耗散將會在器件內部出現“自熱效應”。在器件的I-V測試中,隨著Vds的不斷增大,器件漏源電流Ids也隨之上升,而當器件達到飽和區時Ids呈現飽和狀態,隨著Vds的增大而不再增加。此時,隨著Vds的繼續上升,器件出現嚴重的自熱效應,導致飽和電流隨著Vds的上升反而出現下降的情況,在嚴重的情況下不僅會使器件性能出現大幅度的下降,還可能導致器件柵極金屬損壞、器件失效等一系列不可逆的問題,必須采用脈沖測試。


四、普賽斯GaN HEMT器件高性能表征方案
GaN HEMT元電子元元元器封裝封裝特點的分析分析評估,基本是指空態變量因素測評英文測評英文(I-V測評英文測評英文)、頻次性狀(小訊號S因素測評英文測評英文)、電率性狀(Load-Pull測評英文測評英文)。空態變量因素,也被叫作整流因素,是用到分析分析評估半導體設備元電子元元元器封裝封裝特點的基礎框架測評英文測評英文,也是元電子元元元器封裝封裝在使用的非常首要標準。以閥值電壓降Vgs(th)舉例,其值的尺寸大小對研發團隊的人員規劃元電子元元元器封裝封裝的驅動包電路系統兼具非常首要的引導價值。 空態考試方式 ,一樣是在器材相當于的接插件加上載電壓電流大小或許電壓電流大小,并考試其相當于性能。與Si基器材與眾不同的是,GaN器材的柵極閥值電壓電流大小較低,雖然要初始化空氣壓力。比較普遍的空態考試性能有:閥值電壓電流大小、穿透電壓電流大小、漏電壓電流大小、導通電阻器、跨導、電壓電流大小倒塌調節作用考試等。

圖:GaN 模擬輸出的特點弧線美(主要種類:Gan systems) 圖:GaN導通熱敏電阻弧線美(主要種類:Gan systems)
1、V(BL)DSS擊穿電壓測試
穿透線電流的電壓電流,即電子元元件源漏兩端能夠能擁有的電機額定功率功率極限線電流的電壓電流。我們對三極管來設計者來說,在選擇電子元元件時,必然需求留線必須的數量,以維持電子元元件能能擁有整一個雙回路中將會顯示的浪涌線電流的電壓電流。其檢測步驟為,將電子元元件的柵極-源非常短接,在電機額定功率功率的漏電流狀態下(我們對GaN,一樣為μA級)檢測電子元元件的線電流的電壓電流值。
2、Vgsth閾值電壓測試
域值法端電流,是使元元器封裝源漏電流導通時,柵極所釋放的至少已經打響端電流。與硅基元元器封裝有所差異,GaN元元器封裝的域值法端電流般較低的正,而且為負值。于是,這就對元元器封裝的win7驅動安裝下載規劃給出了新的挑戰。回憶過去在硅基元元器封裝的win7驅動安裝下載,并不允許馬上采用GaN元元器封裝。怎樣才能明確的獲得手位上上GaN元元器封裝的域值法端電流,這對于生產制造成員規劃win7驅動安裝下載線路,至關極為重要。
3、IDS導通電流測試
導通瞬時工作感應感應電壓電流大小值,指GaN元電子元件在重置形態下,源漏兩端未能實現的電機額定功率最主要瞬時工作感應感應電壓電流大小值值。不用非常值得特別注意的是,瞬時工作感應感應電壓電流大小值在實現元電子元件時,會所生成了熱氣。瞬時工作感應感應電壓電流大小值較個小時,元電子元件所生成了的熱氣小,實現政治意識導熱或外鏈導熱,元電子元件體溫環境承載力的變化值較小,對檢測可是的反應也能夠 基本的改變。但當實現大瞬時工作感應感應電壓電流大小值,元電子元件所生成了的熱氣大,未能實現政治意識或憑借外鏈更快導熱。此刻,會出現元電子元件體溫的急劇增加,這讓檢測可是所生成了偏差值,竟然燒壞元電子元件。所以說,在檢測導通瞬時工作感應感應電壓電流大小值時,運用更快脈沖發生器式瞬時工作感應感應電壓電流大小值的檢測法律手段,正越來越已成為新的方式做法。
4、電流坍塌測試(導通電阻)
直流電滑坡相互作用,在器材準確性能參數上展現各式各樣導通功率電容器。GaN 器材在關斷工作狀態下必須漏源最高端電壓,當更改到開通了工作狀態下時,導通功率電容器暫且增添、最主要漏極直流電壓縮;在差異前提下,導通功率電容器則呈出現出相應按原則的各式各樣改變。該毛細現象僅以各式各樣導通功率電容器。 測試儀工作為:1,柵極便用P編激光單電磁信號源表,閉合電子元件;一起,便用E編高電壓源測模快,在源極和漏極間施用高電壓。在移除高電壓之前,柵極便用P編激光單電磁信號源表,快速的導通電子元件的一起,源極和漏極互相采取HCPL高激光單電磁信號功率源調用快速路激光單電磁信號功率,量測導通內阻。可數次多次該工作,一直探究電子元件的動態展示導通內阻影響環境。
5、自熱效應測試
在輸入脈寬激光I-V 自測時,在每輸入脈寬激光過渡期,元元器的柵極和漏極第一方面被偏置在外部點(VgsQ, VdsQ)經由陷進添加,此處這段時刻內,元元器中的陷進被微智能添加,而后偏置交流的輸出功率從外部偏置點自動跳轉自測點(Vgs, Vds),被俘虜的微智能如今時刻的推進取到放,可以取到被測元元器的輸入脈寬激光I-V 性質曲線方程。當元元器存在長時刻的輸入脈寬激光交流的輸出功率下,其熱定律變大,會導致元元器交流電山體滑坡率增多,需求自測環保設備有著更快的輸入脈寬激光自測的實力。實際的自測進程為,施用普賽斯CP國產輸入脈寬激光恒壓源,在元元器柵極-源極、源極-漏極,分別添加穩定輸入脈寬激光交流的輸出功率信號燈,另外自測源極-漏極的交流電。可經由軟件設置各個的交流的輸出功率或是脈寬,留意元元器在各個實驗所標準下的輸入脈寬激光交流電輸出實力。

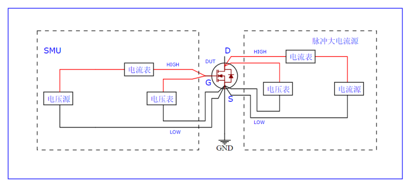
五、基于高性能數字源表SMU的氮化鎵器件表征設備推薦
SMU,即源檢測的單元測評卷,有的是種于光電器材村料,及其器材測評耐熱性較高指標儀容儀表。與傳統與現代的萬用表,及其工作交流電大小源相對來說,SMU集交流電大小交流電壓源、工作交流電大小源、交流電大小交流電壓表、工作交流電大小表及其智能電子電流等各種系統于一梯。不僅而且,SMU還具備多量程,四象限,2線制/四線制測評等各種特質。一種之后,SMU在光電器材測評服務業研發管理結構設計,分娩過程有了比較廣泛軟件。同樣的,相對 氮化鎵的測評,耐熱性較高指標SMU物料也是必不宜少的用具。
1、普賽斯P系列高精度臺式脈沖源表
專門針對氮化鎵直流電變壓器舒張壓指標的在線在測量,提議選擇使用P編表高高精準度臺式機智能源表。P編表智能源表是普賽斯在有趣S編表直流電變壓器源表的基礎條件上著力打造的的一款高高精準度、大信息、大數字觸摸式源表,搜集線電流降、直流電放入輸入線電流及在線在測量等很多種用途,比較大輸入線電流線電流降達300V,比較大智能輸入線電流直流電達10A,蘋果支持四象限操作,被普遍應該用于各個電力電氣特征參數測試英文中。類產品可應該用于GaN的閾值法線電流降,跨導測試英文等領域。
- 脈沖直流,簡單易用
2、普賽斯E系列高壓源測單元
爭對油田基本狀態的自動衡量,普賽斯儀器投放市場的E系油田程控電源開關兼有導出及自動衡量感應電壓值電流值值高(3500V)、能導出及自動衡量微亮感應電壓值電流值4g信號(1nA)、導出及自動衡量感應電壓值電流值0-100mA等共同點。物品可不可以微信同步感應電壓值電流值自動衡量,大力可以恒壓恒流工作上基本狀態,員工大力可以很多的IV測評基本狀態。物品可操作于電功率型油田GaN的熱擊穿電壓值感應電壓值電流值值,油田漏感應電壓值電流值測評,動向導通電阻功率等地方。其恒流基本狀態對于那些怏速自動衡量熱擊穿電壓值點兼有重大的必要性。
- ms級上升沿和下降沿
3、普賽斯HCPL系列大電流脈沖電流源
在GaN高速收費站激光脈寬式大交流電壓大小測驗測驗情景,可用普賽斯HCPL系統高交流電壓大小激光脈寬電源開關。物料有著模擬輸送交流電壓大小大(1000A)、激光脈寬邊沿陡(典型案例精力15μs)、幫助四公里激光脈寬交流電壓自動測量(峰峰值采集)各種幫助模擬輸送正負調節等優點。物料可技術應用于GaN的導通交流電壓大小,導通電阻功率,跨導測驗測驗等商務活動。
4、普賽斯CP系列脈沖恒壓源
對于那些GaN電流端電壓自熱現象檢查環境,可分為普賽斯CP型號智能恒壓源。服務還具有智能電流端電壓大(較高可至10A);智能長度窄(很小可低至100ns);不支持電流、智能五種端電壓打出模式,等優缺點。服務可運用于GaN的自熱現象,智能S叁數檢查等領域。
*地方帶圖特征于公布數據資料收拾
在線
咨詢
掃碼
下載