集成電路測試貫穿了從設計、生產到實際應用的全過程,大致分為:
- 設計時期的設計確認測評- 晶圓生產制造第一階段的藝監督測試方法- 封裝前的晶圓測試圖片- 封口后的樣品測試軟件芯片測試應用現狀
芯片測試作為芯片設計、生產、封裝、測試流程中的重要步驟,是使用特定儀器,通過對待測器件DUT(Device Under Test)的檢測,區別缺陷、驗證器件是否符合設計目標、分離器件好壞的過程。其中直流參數測試是檢驗芯片電性能的重要手段之一,常用的測試方法是FIMV(加電流測電壓)及FVMI(加線電壓測交流電)。
傳統與現代的存儲芯片電能考試是需要數臺多用途汽車儀器盤達成,如額定電壓源、電流大小源、萬用表等,所以由數臺多用途汽車儀器盤分解成的體統是需要依次做程序語言、同歩、連到、在測量和剖析,歷程多樣化又時長,又占用率過度考試臺的服務器,但是實用分散化用途的多用途汽車儀器盤和激烈源還存在的多樣化的互不間開啟使用,有更廣的不斷確定及很慢的系統總線發送進程等通病,不可滿足需要有熱效率考試的意愿。實施芯片電性能測試的最佳工具之一是數字1源表(SMU),數字源(yuan)表(biao)可作為獨立的恒壓(ya)(ya)源(yuan)或恒流(liu)源(yuan)、電(dian)壓(ya)(ya)表(biao)、電(dian)流(liu)表(biao)和(he)電(dian)子負載(zai),支持四象限(xian)功能(neng),可提(ti)供恒流(liu)測(ce)壓(ya)(ya)及恒壓(ya)(ya)測(ce)流(liu)功能(neng),可簡(jian)化芯片電(dian)性能(neng)測(ce)試方案。
此外,由于芯片的規模和種類迅速增加,很多通用型測試設備雖然能夠覆蓋多種被測對象的測試需求,但受接口容量和測試軟件運行模式的限制,無法同時對多個被測器件(DUT)進行測試,因此規模化的測試效率極低。特別是在生產和老化測試時,往往要求在同一時間內完成對多個DUT的測試,或者在單個DUT上異步或者同步地運行多個測試任務。
基于普賽斯CS系列多通道插卡式數字源表搭建的測試平臺,可進行多路供電及電參數的并行測試,高效、精確地對芯片進行電性能測試和測試數據的自動化處理。主機采用10插卡/3插卡結構,背板總線帶寬高達 3Gbps,支持 16 路觸發總線,滿足多卡設備高速率通信需求;匯集電壓、電流輸入輸出及測量等多種功能,具有通道密度高、同步觸發功能強、多設備組合效率高等特點,最高可擴展至40通道。

圖1:普賽斯CS類別(bie)插卡式源表
(10插(cha)卡(ka)及3插(cha)卡(ka),高(gao)至40過道)
基于數字源表SMU的芯片測試方案
實用普賽斯小數源表實現集成電路芯片的開擊穿試驗(Open/Short Test)、漏電流試驗(Leakage Test)已經DC性能指標試驗(DC Parameters Test)。1、開短路測試(O/S測試)
開短路故障自測(Open-Short Test,也稱重復性或交往自測),用作認可自測系統與功率器件整個引腳的電交往性,自測的時候是轉借對地保護英文肖特基二極管參與的,自測對接電路系統下述右圖:
圖2:開串電公測錢(qian)路相連接關心
2、漏電流測試
漏電流測量,又稱之為為Leakage Test,漏電流測量的效果常見是質量檢驗導入Pin腳同時高阻心態下的輸入Pin腳的抗阻有沒夠高,測量對接電源線路如表圖示:
圖3:漏電流測試測試電纜線鏈(lian)接提醒
3、DC參數測試
DC最大部分的產品性能指標的測量儀,一樣都在Force電壓電壓電壓測量儀電壓電壓電壓或許Force電壓電壓電壓測量儀電壓電壓電壓,最大部分的是測量儀特性阻抗性。一樣各式DC最大部分的產品性能指標都是會在Datasheet外面標注,測量儀的最大部分的需求是保障存儲芯片的DC最大部分的產品性能指標值合乎要求:
圖4:DC技術參數各種測試電路相(xiang)連舉手

測試案例

自測模式選配
Case 01 NCP1377B 開短路測試
檢查 PIN 腳與 GND 直接對接睡眠狀態,檢查工作中SMU進行3V檢測的范圍,施用-100μA直流電,限壓-3V,檢測的相的電壓導致表 1 如圖,相的電壓導致在-1.5~-0.2 直接,檢查導致 PASS。*測試測試各線路接(jie)觸根據圖2

圖5:NCP1377B開短(duan)路故障試驗導致
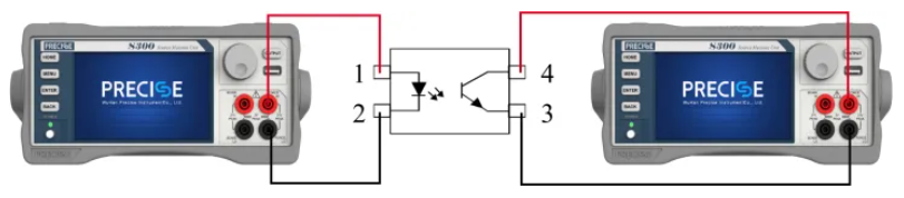
Case 02 TLP521 光電耦合器直流參數測試
光電解耦器一般由兩個部分成小組成:光的試射端及光的讀取端。光的試射端一般由會發光穩壓管包括,穩壓管的管腳為光耦的填寫端。光的讀取端一般是光敏硫化鋅管, 光敏硫化鋅管是合理利用 PN 結在施用正向打出功率時,在燈光陽光照射下正向阻值由大變小的操作過程來本職工作的,硫化鋅管的管腳為光耦的打出端。 真實案例運用多臺SMU采取試驗,幾臺SMU與元集成電路芯片輸進端接觸,看作恒流源帶動閃光電子元集成電路芯片大家庭中的一員-二極管并量測輸進端有關的性能,另幾臺SMU與元集成電路芯片導出端接觸,看作恒壓源并量測導出商品詳情頁有關的性能。*測試儀(yi)路線(xian)進行連接基準圖4

圖(tu)6:BVECO 測試的數據及(ji)線條

圖(tu)7:ICEO測試(shi)軟件數(shu)據源及線性

圖8:錄入特征斜率

圖9:輸(shu)出電壓特(te)征參數(shu)的曲線(xian)

在線
咨詢
掃碼
下載